Мобильное ручное абразивоструйное эжекторное устройство EDUCT-O-MATIC, замкнутого цикла, с системой рекуперации абразива, предназначено для очистки поверхностей от загрязнений, ржавчины, шлаковых включений, с воздушным отсосом пыли, препятствующим образованию пыли, для работ на небольших объемах, для зачистки швов и локальных участков.
![]() |
||
![]() |
||
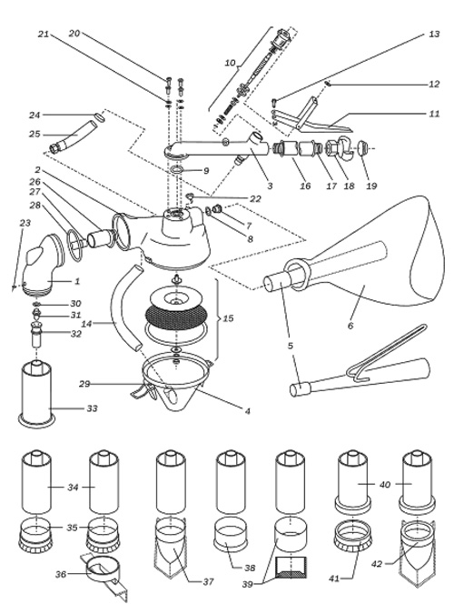
| # | Артикул | Наименование |
| 1 | 12801 | Головка абразивоструйная |
| 2 | 12802 | Корпус |
| 3 | 12803 | Коллектор воздушный |
| 4 | 12804 | Бункер для абразива |
| 5 | 12805 | Труба фильтр-мешка |
| 6 | 12806 | Фильтр-мешок |
| 7 | 12807 | Фитинг с вертлюгом |
| 8 | 12808 | Кольцо уплотнительное |
| 9 | 12809 | Кольцо уплотнительное |
| 10 | 12810 | Клапан пусковой двойного действия (в сборе) |
| 11 | 12811 | Ручка запуска/остановки |
| 12 | 12812 | Шайба стопорная |
| 13 | 12813 | Штифт |
| 14 | 12814 | Рукав забора абразива |
| 15 | 12815 | Сито с экраном в сборе |
| 16 | 12816 | Рукоятка |
| 17 | 12817 | Ниппель |
| 18 | 50070 | Соединение байонетное KIG 1/2" |
| 19 | 12316 | Уплотнитель для SKG 19/25 |
| 20 | 12840 | Винт |
| 21 | 12818 | Шайба |
| 22 | 12819 | Винт стопорный трубы фильтр-мешка |
| 23 | 12820 | Винт стопорный сопла абразивоструйного |
| 24 | 12821 | Хомут |
| 25 | 12822 | Рукав воздушный |
| 26 | 12823 | Соединитель |
| 27 | 12824 | Ниппель головки абразивоструйной |
| 28 | 12825 | Кольцо уплотнительное |
| 29 | 12826 | Застежка |
| 30 | 12827 | Уплотнитель |
| 31 | 12828 | Форсунка воздушная рабочая |
| 32 | 12829 | Сопло абразивоструйное |
| 33 | 12830 | Насадка улавливающая стандартная |
| 34 | 12831 | Насадка улавливающая со сменными наконечниками |
| 35 | 12832 | Наконечник «Щетка круглая» |
| 36 | 12833 | Наконечник «Наружный угол» |
| 37 | 12834 | Наконечник «Внутренний угол» |
| 38 | 12835 | Наконечник «Плоскостной» |
| 39 | 12836 | Заглушка |
| 40 | 12837 | Насадка улавливающая для сменных щетинных наконечников |
| 41 | 12838 | Наконечник щетинный «Щетка круглая» |
| 42 | 12839 | Наконечник щетинный «Внутренний угол» |
ОПИСАНИЕ И ТЕХНИЧЕСКИЕ ХАРАКТЕРИСТИКИ АППАРАТА БЕСПЫЛЕВОЙ ОЧИСТКИ EDUCT-O-MATIC CONTRACOR >>>






























































