Кабина работает с использованием оборотного абразива. Применяется для удаления загрязнений, придания шероховатости, поверхностного упрочнения, придания декоративных свойств, Представляет собой герметичную стальную конструкцию с фильтром технологического воздуха и установленной напорной системой формирования абразиво-воздушной смеси.
Преимущества:
- Хорошее освещение исключает появление темных зон. Лампы изолированы от рабочей зоны.
- Пневматическая система управления с большим сроком службы. Отличается повышенной надежностью в сравнении с электрической системой управления.
- Фильтрующий элемент большой площади задерживает 95% частиц пыли фракцией до 0,5 мкм.
- Циклон большого объема с хорошо доступным технологическим люком и со съемным ситом.
ПНЕВМАТИЧЕСКАЯ СХЕМА CAB-110S / 135S
|
||
| # | Код заказа | Наименование |
| 1 | 15904 | Влагоотделитель (вх. Фильтр) |
| 2 | 15930 | Пневматический концевой выключатель 1/8” |
| 3 | 15930 | Пневматический концевой выключатель 1/8” |
| 4 | 15931 | Педаль пневматическая |
| 5 | 15932 | Регулятор рабочего давления 1/4” |
| 6 | 15934 | Манометр 1/8” панельный |
| 7 | 30404 | Манометр 1/8”(в резиновой оболочке) |
| 8 | 15932 | Регулятор давления линии очистки выходного воздушного фильтра 1/4”, регул.0.5--10 бар |
| 9 | 24407 | Манометр 1/4” (в резиновой оболочке) |
| 10 | 15816 | Ресивер импульсной очистки фильтра |
| 11 | 15974 | Пневмоклапан импульсный 3/4” |
| 12 | 16011 | Коллектор цанговый двухуровневый поворотный |
| 13 | 15905 | Клапан редукционный 1/2” |
| 14 | 15300 | Пистолет GX абразивоструйный ручной эжекторный, без сопла |
| 15 | 15901 | Обдувочное сопло, резина |
| 16 | 15820 | Фильтр камера DC-550 (для CAB-110S) |
| 16 | 15821 | Фильтр камера DC-750 (для CAB-135S) |
| 17 | Линия абразива | |
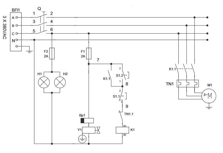
ЭЛЕКТРИЧЕСКАЯ СХЕМА CAB-110S / 135S
|
||
| # | Код заказа | Наименование |
| S1 | 16099 | Кнопка двойная ВКЛ. / ВЫКЛ. |
| HS | 16100 | Выключатель ручной кулачковый (рубильник) 0-I |
| M | 16124 | Электродвигатель 0,55 кВт (для CAB-110S) |
| 16125 | Электродвигатель 0,75 кВт (для CAB-135S) | |
| K1.1 | 16104 | Контактор электромагнитный |
| H1 | 16121 | Светильник люминисцентный 2x30 Watt |
| Bp | 16106 | Импульсное реле времени |
| Y1 | 15974 | Пневмоклапан импульсный 3/4”, 220 V~ |
| TH1 | 16105 | Термореле |
| F1 | 16133 | Предохранитель |
СБОРОЧНЫЕ ЧЕРТЕЖИ ЭЖЕКТОРНЫХ КАБИН CAB110S / CAB135S CONTRACOR
CAB-110S / CAB-135S Contracor абразивоструйные эжекторные кабины (полный сборочный чертеж запчастей)
CAB-110S / 135S абразивоструйные эжекторные кабины (общий вид, стандартная серия)


































































